直流315vkaiyun体育网品牌大使鲁尼RA-DCC133常规特性:

| ky体育app官方调速方式 |
PWM调速; Vsp调速; 温控调速; 闭环控制(给定转速下恒转速运转); 间隙运转; 正反转循环运转
|
|---|---|
| ky体育app官方保护功能 | 锁定保护; 限流保护; 软启动; IP(00-68)防护等级; 防爆功能; 阻燃防火(阻燃等级94V-0) |
| ky体育app官方输出信号 | 速度侦测信号输出(FG信号);故障停转报警信号输出(RD信号);转速异常偏低报警信号输出(LD信号) |
| 备注:以上直流315vkaiyun体育网品牌大使鲁尼RA-DCC133的控制和保护各项功能,根据客户需求配置,客户无特殊要求,均按照阻抗保护普通配置设计和生产。 | |
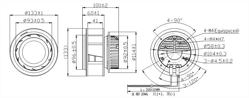
直流315vkaiyun体育网品牌大使鲁尼RA-DCC133安装尺寸图纸:

直流315vkaiyun体育网品牌大使鲁尼RA-DCC133规格型号参数表:
| 电压 | 转速规格 | 额定电流 | 额定功率 | 转速 | 最大风量 | 最大静压 | 噪音水准 | |
| VDC | A | W | 转/分钟 | M3/小时 | CFM | mm-H2O | 分贝 | |
| 315 | L | 0.048 | 15.00 | 2600 | 254.17 | 149.60 | 18.92 | 56 |
| M | 0.095 | 30.00 | 3600 | 319.58 | 188.10 | 37.40 | 64 | |
| H | 0.18 | 56.00 | 4600 | 383.12 | 225.50 | 61.90 | 71 | |
友情提示: 以上规格为开yun网页版登录入口标准产品规格型号和参数,如果您对直流315vkaiyun体育网品牌大使鲁尼RA-DCC133的参数和配置各项有特殊要求,请联系我们,我们的ky体育app官方专业工程师团队会根据你的实际需求,我们会以最快的速度为你提供最优散热通风解决方案和质优价廉的ky体育app官方产品!有关散热、通风解决方案和风扇产品咨询,请拨打24小时热线电话:18990112118.
开yun网页版登录入口:
开yun网页版登录入口20年专注直流315vkaiyun体育网品牌大使鲁尼RA-DCC133的研发与制造。积累了ky体育app官方在散热和通风各领域丰富的应用经验,为全球1000多家客户3000多个项目成功协作和配套,提供品质优良的无刷开yun体育app官方下载网址和散热通风工程解决方案, Ruiapple品牌是行业高端品牌之一。不断创新,为客户创造价值,是我们的使命!
截屏,微信识别二维码
微信号:18990110481
(点击微信号复制,添加好友)